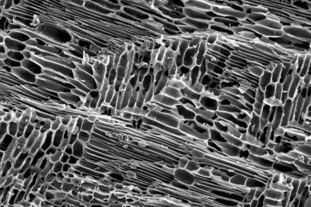
Rubber Tree Biochar

The images are examples of biochar, that have been produced from rubber trees in a small-scale gasifier, used for generating electricity in remote rural areas of north-west Cambodia. Biochar is rich in carbon molecules that are resistant to mineralisation by microorganisms and is therefore a potentially important way of storing carbon long term in soils, helping to limit atmospheric CO2 concentrations. The UK Biochar Research Centre is an interdisciplinary centre established to develop scientific and engineering understanding of biochar and of its potential role in tackling climate change.

Rubber Tree Biochar
The image represents an area approximately 50 µm wide
Rubber Tree Biochar
The image represents an area approximately 700 µm wide

Sample courtesy of Dr. Simon Shackley,

School of GeoSciences, University of Edinburgh and Erik Middelink.